- Home /
- Pumps /
- Engine Driven /
- Jabsco 020 Bronze Pedestal Pump
Products
- Auckland Boat Show Promotions 2026
- Batteries
- Boat Hardware
- Comfort
-
Electrical
- Battery Switch
- Busbars, Terminals & Insulators
- Cable Management
- Circuit Breakers
- Deck Seals
- Electrical Panels
- Electrolysis Protection
- Engine Instruments
- Fuses & Fuse Blocks
- Heat Shrink
- Horns
- Meters
- Plugs & Sockets
- Single & Multi-Core Cables
- Switches
- Tank Senders
- Terminals & Crimps
- Accessories, Upgrades & Spares
-
Marine Electronics & Raymarine
- Antennas
- Autopilots
- Axiom Range
- Digital Switching
- Electronic Charts
- Element Series
- Fishfinder/Sonar Modules
- Instruments
- Marine AIS Devices
- Marine Cameras
- Mounting Systems
- Networking & Cables
- NMEA Converters & Sensors
- Radar
- Satellite TV
- Thermal Cameras
- Transducers
- VHF Radios
- Accessories, Upgrades & Spares
- Marine Lighting
- Power Generation & Management
- Propulsion & Around The Engine
- Pumps
- Safety Solutions
- Sanitation & Tanks
- Steering Control & Trim
- Tenders & Inflatables
- Vessel Manoeuvring Systems
- Watermakers
- Winches & Cranes
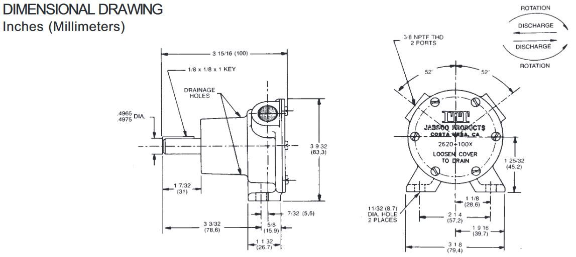
Jabsco 020 Bronze Pedestal Pump
Jabsco self priming Engine Cooling Pump.
Bronze body with stainless steel shaft. 3/8” NPT internal thread ports in UEE configuration. Nominal 20LPM at 1500RPM at 3m head. 1/2" diameter shaft.
Standard neoprene impeller stock code: 673-0001-P or stock code: 18673-0001-P
Lip seal stock code: SP2700-05
Replaces stock codes: 2620-1001 and 2620-0001
Used on Kohler 7.5kw 4 cylinder gasoline gen set.
Body: Bronze
Impeller: Neoprene or Nitrile
Shaft: 316 Stainless Steel
Shaft Seal: Nitrile Lip Type
Bearings: Sealed Ball Bearings
Ports: 3/8" NPT(f) Internal
Weight: 2-3/4 lb (1.3 kg) Approx.
| Code | Image | Product Details | Enquire |
|---|---|---|---|
|
2620-1101
|
|
020 Bronze Compact Pedestal Pump
|