- Home /
- Pumps /
- Engine Driven /
- Jabsco Pump Universal 200
Products
- Auckland Boat Show Promotions 2026
- Batteries
- Boat Hardware
- Comfort
-
Electrical
- Battery Switch
- Busbars, Terminals & Insulators
- Cable Management
- Circuit Breakers
- Deck Seals
- Electrical Panels
- Electrolysis Protection
- Engine Instruments
- Fuses & Fuse Blocks
- Heat Shrink
- Horns
- Meters
- Plugs & Sockets
- Single & Multi-Core Cables
- Switches
- Tank Senders
- Terminals & Crimps
- Accessories, Upgrades & Spares
-
Marine Electronics & Raymarine
- Antennas
- Autopilots
- Axiom Range
- Digital Switching
- Electronic Charts
- Element Series
- Fishfinder/Sonar Modules
- Instruments
- Marine AIS Devices
- Marine Cameras
- Mounting Systems
- Networking & Cables
- NMEA Converters & Sensors
- Radar
- Satellite TV
- Thermal Cameras
- Transducers
- VHF Radios
- Accessories, Upgrades & Spares
- Marine Lighting
- Power Generation & Management
- Propulsion & Around The Engine
- Pumps
- Safety Solutions
- Sanitation & Tanks
- Steering Control & Trim
- Tenders & Inflatables
- Vessel Manoeuvring Systems
- Watermakers
- Winches & Cranes
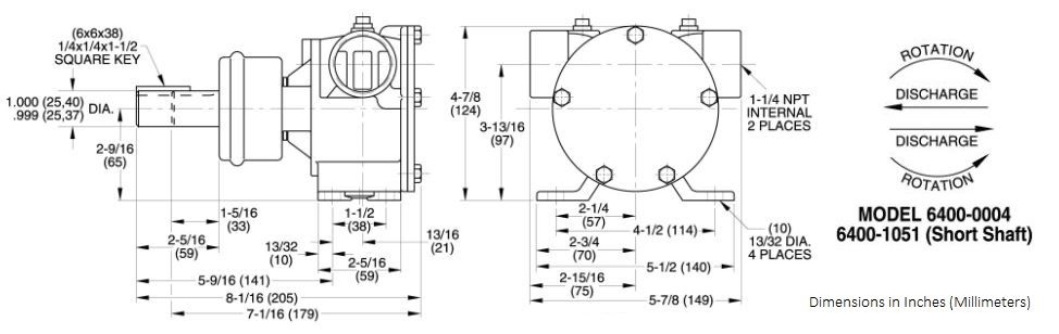
Jabsco Pump Universal 200
Bronze body with stainless steel shaft. 1 1/4" NPT internal thread ports. Nominal 200LPM at 1500RPM and 3m head.
Standard neoprene impeller #17935-0001-P. Mechanical water seal #6407-0010 (4.5mm thick ceramic) and #6408-0000 (6.4mm thick ceramic). 1” diameter shaft with 1/4" keyway.
Substitute for manufacturers part numbers : CAT: 4L9070, 4L1919, 1W9046
Body: Bronze
Impeller: Neoprene
Shaft: Type 316 Stainless Steel
Wearplate: Replaceable
Shaft Seal: Carbon-Ceramic Face Type
Bearing: Pre-lubricated Double Row Ball
Ports: 1-1/4" (32mm) NPT Internal
Weight: 10-1/2 lb (4.8 kg) Approx.
| Code | Image | Product Details | Enquire |
|---|---|---|---|
|
6400-1051
|
|
Universal 200
|